75+ pages voltage shunt feedback amplifier circuit diagram 3mb. From the above figure the gain of the amplifier is represented as A. It is also called as shunt derived shunt fed. It decreases both input and output impedance. Read also shunt and understand more manual guide in voltage shunt feedback amplifier circuit diagram While the output energy is being applied to the input for the voltage energy to be taken as feedback the output is taken in shunt connection and for the.
This set of Linear Integrated Circuit Multiple Choice Questions Answers MCQs focuses on Voltage Shunt Feedback Amplifier. OR Write short note on voltage shunt feedback amplifier.

What Is The Feedback Work Of This Negative Feedback Amplifier Electrical Engineering Stack Exchange
| Title: What Is The Feedback Work Of This Negative Feedback Amplifier Electrical Engineering Stack Exchange |
| Format: PDF |
| Number of Pages: 253 pages Voltage Shunt Feedback Amplifier Circuit Diagram |
| Publication Date: May 2019 |
| File Size: 810kb |
| Read What Is The Feedback Work Of This Negative Feedback Amplifier Electrical Engineering Stack Exchange |
As per our directory this eBook is.

D Current Shunt Feedback Amplifier. CALCULATIONS OF OPEN-LOOP GAIN CLOSED-LOOP GAIN FEEDBACK FACTORS. Draw block diagram of voltage shunt -ve feedback amplifier and explain effect on ip impedance op impedance and gain. Amplifiers Negative Feedback Tutorialspoint Traditional Resistive Shunt Feedback Amplifier And Its Equivalent Scientific Diagram. The non-inverting amplifier an example of series shunt feedback The op-amp acts like a voltage amplifier The feedback network samples the output voltage voltage divides it and feeds back a voltage into the input so that v in is the sum of input and fed-back v. Amplifiers negative feedback traditional resistive shunt inverting operational amplifier with typical bjt based voltage in hindi facebook aecd from all topics.

Ee321 Lab Expt 7 Negative Feedback In Amplifiers
| Title: Ee321 Lab Expt 7 Negative Feedback In Amplifiers |
| Format: eBook |
| Number of Pages: 253 pages Voltage Shunt Feedback Amplifier Circuit Diagram |
| Publication Date: June 2019 |
| File Size: 810kb |
| Read Ee321 Lab Expt 7 Negative Feedback In Amplifiers |

Amplifiers Negative Feedback
| Title: Amplifiers Negative Feedback |
| Format: PDF |
| Number of Pages: 196 pages Voltage Shunt Feedback Amplifier Circuit Diagram |
| Publication Date: April 2019 |
| File Size: 2.6mb |
| Read Amplifiers Negative Feedback |
Inverting Operational Amplifier With Voltage Shunt Feedback
| Title: Inverting Operational Amplifier With Voltage Shunt Feedback |
| Format: PDF |
| Number of Pages: 296 pages Voltage Shunt Feedback Amplifier Circuit Diagram |
| Publication Date: July 2019 |
| File Size: 800kb |
| Read Inverting Operational Amplifier With Voltage Shunt Feedback |

Draw Block Diagram Of Voltage Shunt Ve Feedback Amplifier And Explain Effect On I P Impedance O P Impedance And Gain Or Write Short Note On Voltage Shunt Feedback Amplifier
| Title: Draw Block Diagram Of Voltage Shunt Ve Feedback Amplifier And Explain Effect On I P Impedance O P Impedance And Gain Or Write Short Note On Voltage Shunt Feedback Amplifier |
| Format: PDF |
| Number of Pages: 304 pages Voltage Shunt Feedback Amplifier Circuit Diagram |
| Publication Date: July 2017 |
| File Size: 2.3mb |
| Read Draw Block Diagram Of Voltage Shunt Ve Feedback Amplifier And Explain Effect On I P Impedance O P Impedance And Gain Or Write Short Note On Voltage Shunt Feedback Amplifier |

Calculating The Transresistance In A Multistage Voltage Shunt Shunt Shunt Feedback Amplifier Electrical Engineering Stack Exchange
| Title: Calculating The Transresistance In A Multistage Voltage Shunt Shunt Shunt Feedback Amplifier Electrical Engineering Stack Exchange |
| Format: ePub Book |
| Number of Pages: 173 pages Voltage Shunt Feedback Amplifier Circuit Diagram |
| Publication Date: July 2018 |
| File Size: 1.6mb |
| Read Calculating The Transresistance In A Multistage Voltage Shunt Shunt Shunt Feedback Amplifier Electrical Engineering Stack Exchange |

Draw Block Diagram Of Voltage Shunt Ve Feedback Amplifier And Explain Effect On I P Impedance O P Impedance And Gain Or Write Short Note On Voltage Shunt Feedback Amplifier
| Title: Draw Block Diagram Of Voltage Shunt Ve Feedback Amplifier And Explain Effect On I P Impedance O P Impedance And Gain Or Write Short Note On Voltage Shunt Feedback Amplifier |
| Format: PDF |
| Number of Pages: 129 pages Voltage Shunt Feedback Amplifier Circuit Diagram |
| Publication Date: October 2017 |
| File Size: 1.9mb |
| Read Draw Block Diagram Of Voltage Shunt Ve Feedback Amplifier And Explain Effect On I P Impedance O P Impedance And Gain Or Write Short Note On Voltage Shunt Feedback Amplifier |

Traditional Resistive Shunt Shunt Feedback Amplifier And Its Equivalent Download Scientific Diagram
| Title: Traditional Resistive Shunt Shunt Feedback Amplifier And Its Equivalent Download Scientific Diagram |
| Format: eBook |
| Number of Pages: 210 pages Voltage Shunt Feedback Amplifier Circuit Diagram |
| Publication Date: April 2021 |
| File Size: 810kb |
| Read Traditional Resistive Shunt Shunt Feedback Amplifier And Its Equivalent Download Scientific Diagram |

Amplifiers In Electronics Amplifier Types Simulations And Circuits
| Title: Amplifiers In Electronics Amplifier Types Simulations And Circuits |
| Format: ePub Book |
| Number of Pages: 200 pages Voltage Shunt Feedback Amplifier Circuit Diagram |
| Publication Date: April 2018 |
| File Size: 1.9mb |
| Read Amplifiers In Electronics Amplifier Types Simulations And Circuits |

Amplifiers Negative Feedback
| Title: Amplifiers Negative Feedback |
| Format: eBook |
| Number of Pages: 324 pages Voltage Shunt Feedback Amplifier Circuit Diagram |
| Publication Date: May 2017 |
| File Size: 1.4mb |
| Read Amplifiers Negative Feedback |

| Title: |
| Format: eBook |
| Number of Pages: 285 pages Voltage Shunt Feedback Amplifier Circuit Diagram |
| Publication Date: November 2020 |
| File Size: 1.7mb |
| Read |
Voltage Shunt Feedback Amplifier Bandwidth Signal Processing Amplifier
| Title: Voltage Shunt Feedback Amplifier Bandwidth Signal Processing Amplifier |
| Format: ePub Book |
| Number of Pages: 200 pages Voltage Shunt Feedback Amplifier Circuit Diagram |
| Publication Date: March 2017 |
| File Size: 1.8mb |
| Read Voltage Shunt Feedback Amplifier Bandwidth Signal Processing Amplifier |
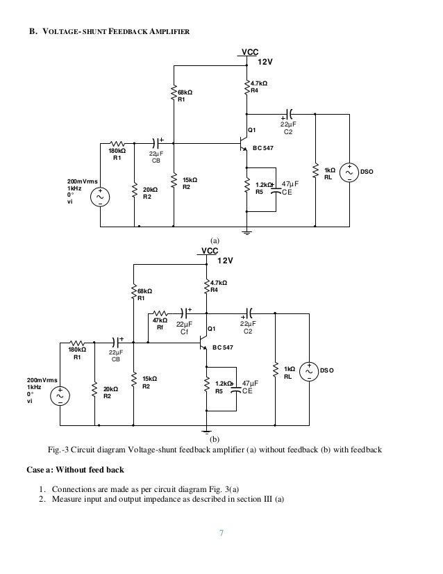
Input and output impedance. Draw the circuit of complementary symmetry push pull amplifier and explain its working. Components Equipment required.
Here is all you have to to know about voltage shunt feedback amplifier circuit diagram SNO APPARATUS RANGE QUANTITY 1. 152 Voltage Shunt feedback. L3 autumn 2009 e2 2 analogue electronics imperial college london. Amplifiers negative feedback inverting operational amplifier with voltage shunt feedback draw block diagram of voltage shunt ve feedback amplifier and explain effect on i p impedance o p impedance and gain or write short note on voltage shunt feedback amplifier amplifiers in electronics amplifier types simulations and circuits ee321 lab expt 7 negative feedback in amplifiers what is the feedback work of this negative feedback amplifier electrical engineering stack exchange In this type of circuit a portion of the o p voltage can be applied to the input voltage in series through the feedback circuit.